P 測定で決めること(結論)
結論:DESIGN-R 2020 の P(ポケット)は、面積そのものよりも「同じ条件で測れたか」で値の信頼性が決まります。 まず固定するのは、体位、時計法の基準、測定タイミング、探索の強さの 4 点です。ここが揃うと、ポケット面積=( a × b )−( c × d ) の計算結果を再評価で比較しやすくなります。
このページで答えるのは、P の測り方、計算、記録の残し方です。答えないのは、DESIGN-R 2020 の 7 項目全体の採点や、DTI / DU・I3C の詳しい判定です。まずは「今日どう測るか」と「次回どう揃えるか」を決めるページとして使ってください。
このテーマを最短で押さえる導線
まずは 親(総論)→ 予防の全体像 → 関連各論 の順でつなぐと、運用がブレにくくなります。
現場の詰まりどころ|なぜ P はブレるのか
P(ポケット)は、開口部よりも皮膚の下でどこまで広がっているかを扱うため、見た目だけでは追えません。同じ創でも、体位が変われば皮膚の張力が変わり、時計法の見え方や探索の抵抗感も変わります。
さらに、測定者ごとに「どこまで入れるか」「どの方向を最大とするか」が揺れると、悪化したのか、測り方が変わったのかが分からなくなります。先に決めるのは上手な測定より条件固定です。
- よくある失敗へ(ブレの原因を先に潰す)
- 固定する 4 点へ(再評価で揃える)
- 関連(総論):評価 → 除圧 → 再評価の流れは 褥瘡予防の基本(PT の判断フロー) にまとめています。
ここまで整えても毎回同じところで詰まる場合は、書き方や手順だけでなく、教育体制・共通フォーマット・相談相手の有無など、職場環境の影響を受けている可能性もあります。評価・記録・報告の「型」をまとめて整理したい方は、PT キャリアガイドも参考になります。
P として記録する範囲を先に決める
P(ポケット)は、創縁の下で皮下方向に広がる空間(undermining)を指します。開口部が小さくても、下で広く剥離していることがあり、ここを見落とすと滲出液の貯留や治癒遅延を見逃しやすくなります。
実務では、ポケットを時計法でどの方向に広がるか、そのうえで面積としてどれくらいかの 2 段で共有します。見えている創面だけで測る S(大きさ) と、ポケットを含めた P を混同しないことが最初のポイントです。
再現性を上げる 3 原則
1)体位:毎回「同じ」を優先する
P の測定は、まず体位を統一します。仰臥位、側臥位 30°、腹臥位など、どの姿勢で測ったかを固定し、可能なら枕やクッションの配置まで記録に残します。
2)軸:時計法の「12 時」を固定する
時計法は、頭側=12 時、足側=6 時を基本にすると共有が揃います。この基準が毎回変わると、同じ創でも「8〜11 時」と「9〜12 時」が別物のように見えてしまいます。
3)探索:こじらない、引っ張らない
探索で皮膚を引っ張ると、値が過大になりやすくなります。創縁下に沿わせてやさしく進め、抵抗を感じたら無理に押し込まない、をチームの共通ルールにします。
測定手順|時計法と最大距離の取り方
- 洗浄後に、創縁と周囲皮膚の状態を確認します。滲出液や軟化で境界が曖昧なまま測ると、再評価で比較しにくくなります。
- 滅菌綿棒や目盛り付きプローブを、創縁下に沿わせて挿入し、ポケットが続く方向を探索します。
- 「どの方向に、どれくらい続くか」を、時計法で範囲+最大距離として記録します(例:8〜11 時に最大 4.0 cm)。
- 必要に応じて、ポケットの最大深さを補足します。最深部へやさしく入れ、創縁で指でマーキングしてから長さを読みます。
ポイントは、最大値だけで終わらせず、範囲(何時〜何時)+最大をセットで残すことです。担当替えや申し送りでも、次回の探索が再現しやすくなります。
面積計算と点数を 1 回でそろえる
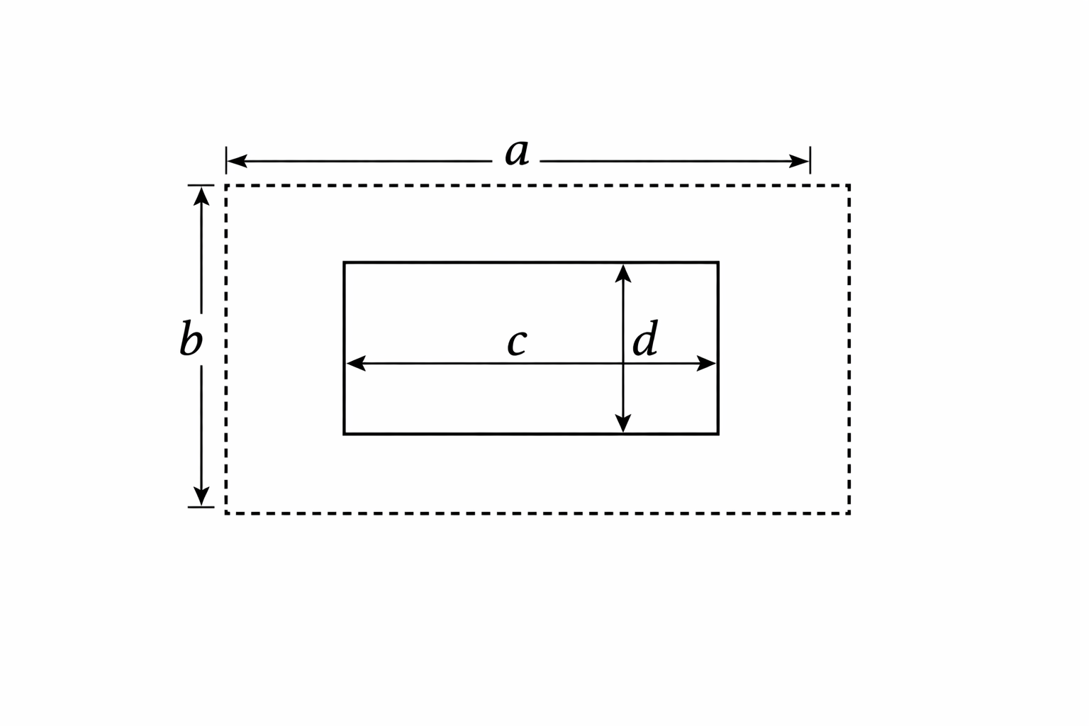
DESIGN-R 2020 の P は、ポケットを含む外形から開口部の面積を差し引いて求めます。つまり、見えている創面だけを測るのが S、ポケットを含む差分が Pです。ここを分けて考えると、計算と採点が同時に整理しやすくなります。
※スマホでは表が横スクロールできます。
| 記号 | 何を測る? | 迷いやすい点 |
|---|---|---|
| a | ポケットを含む範囲の最大長径 | 「下で広がっている最外縁」を含めて最大を取る |
| b | ポケットを含む範囲の最大短径 | a と直交する方向で最大を取る |
| c | 開口部のみの最大長径 | 見えている創の縁どうしで最大を取る |
| d | 開口部のみの最大短径 | c と直交する方向で最大を取る |
面積計算は、ポケット面積=(a×b)−(c×d)です。a,b は「ポケット込み」、c,d は「開口部のみ」と覚えると取り違えにくくなります。
点数早見(面積 → P スコア)
※スマホでは表が横スクロールできます。
| 面積 | 記録 | 見方 |
|---|---|---|
| なし | p0 | ポケットなし |
| 4 未満 | P6 | 軽度のポケットあり |
| 4 以上 16 未満 | P9 | 中等度 |
| 16 以上 36 未満 | P12 | 広がりが大きい |
| 36 以上 | P24 | 重度のポケットあり |
計算例(そのままカンファで使える)
例:ポケットを含む範囲が 6.0 cm × 4.0 cm(a=6.0、b=4.0)、開口部が 3.0 cm × 2.0 cm(c=3.0、d=2.0)の場合
- (a × b)=24.0
- (c × d)=6.0
- ポケット面積=24.0 − 6.0 =18.0 → P12
再評価で固定する 4 点
P は「何 cm だったか」より、どういう条件でその値になったかを残すほどブレが減ります。再評価で最低限そろえたいのは、体位、時計法の基準、測定タイミング、探索の強さの 4 点です。
※スマホでは表が横スクロールできます。
| 固定したい条件 | 具体例 | 記録に残す一言 |
|---|---|---|
| 体位 | 仰臥位/側臥位 30°/腹臥位 | 体位+枕配置(同じ条件を優先) |
| 時計法の基準 | 頭側=12 時、足側=6 時 | 「12 時」の取り方を固定 |
| 測定タイミング | 洗浄後・処置前(または処置後) | 毎回同じタイミングで比較 |
| 探索の強さ | 創縁下に沿わせる/引っ張らない | 「こじらない」をチームで統一 |
よくある失敗を先に潰す
数字がズレる原因は、計算式よりも運用差にあることが多いです。チームで共有しやすいよう、典型パターンを表にしました。
※スマホでは表が横スクロールできます。
| よくある失敗 | 起きること | 対策 |
|---|---|---|
| 体位が毎回違う | 皮膚張力が変わり、範囲が変わる | 体位(+枕配置)を固定し、記録欄に残す |
| 時計法の 12 時が曖昧 | 方向の共有が崩れて再探索できない | 頭側=12 時で統一し、記録例を病棟で共有する |
| 探索で皮膚を引っ張る | 値が過大になりやすい | 「こじらない/引っ張らない」を合言葉にする |
| 開口部の L×W を P と混同する | ポケットの変化を追えない | a,b はポケット込み、c,d は開口部のみで分ける |
| 測定タイミングがバラバラ | 境界がズレて比較できない | 洗浄後・処置前など、タイミングを統一する |
記録シート PDF|そのまま印刷して使う
P(ポケット)の再評価では、測定条件の固定 → a,b,c,d の記録 → 面積計算 → 前回比較を 1 枚で残せるとブレが減ります。下の PDF は、この記事の内容に合わせて作成した再評価・比較用の記録シートです。
プレビューを開く
PDF には、基本情報、比較前にそろえる条件、前回 / 今回の比較欄、a,b,c,d の計算欄、次アクションをまとめています。院内様式へ転記する前の下書きや、申し送りの共通フォーマットとして使いやすい形です。
※スマホでは表が横スクロールできます。
| 項目 | 記録 | メモ |
|---|---|---|
| 測定日/測定者 | ________ | 同一者が望ましい |
| 体位(枕配置) | ________ | 側臥位 30° など |
| 測定タイミング | 洗浄後・処置前/後(__) | 毎回統一 |
| 時計法(範囲) | __ 時 〜 __ 時 | 頭側=12 時 |
| 最大距離(cm) | ___ cm(方向:__ 時) | 範囲+最大をセットで |
| 最大深さ(cm) | ___ cm | 必要時のみ |
| a(最大長径) | ___ cm | ポケット込み |
| b(最大短径) | ___ cm | a と直交 |
| c(開口部 長径) | ___ cm | ポケット除く |
| d(開口部 短径) | ___ cm | c と直交 |
| P 面積(計算) | (a×b)−(c×d)=___ | 途中式も残すと見返しやすい |
| P スコア | p0 / P6 / P9 / P12 / P24 | 面積から判定する |
| 次アクション | 除圧/体位変換/ドレッシング/共有(__) | 評価 → 介入 → 再評価 |
よくある質問(FAQ)
各項目名をタップ(クリック)すると回答が開きます。もう一度タップで閉じます。
ポケットと洞(トンネル)はどう書き分けますか?
ポケット(undermining)は、創縁の下で皮膚の下に横方向へ広がる空間です。一方、洞(トンネル)は、創底から通路状に延びる空間として扱います。実務では、「時計法で複数方向に広がるか」「単一方向に深く延びるか」を分けて記録すると共有しやすくなります。
前回より P が増えました。すぐ悪化と考えてよいですか?
まずは、体位、時計法の基準、測定タイミング、探索の強さが前回と同じかを確認します。条件が揃っていて増えているなら、滲出液の貯留、ずれ、除圧不足などを見直すサインです。数字だけで決めず、創縁・周囲皮膚・滲出液の変化も合わせて判断します。
a,b,c,d が毎回うまく取れません。順番のコツはありますか?
a,b を先に決めてから c,d を取ると混乱しにくくなります。最初に「ポケット込みの外形」を決め、そのあとに「開口部だけ」を測る流れです。途中式(a×b と c×d)を記録に残すと、後から見返しても迷いにくくなります。
最大深さは毎回測るべきですか?
全例で必須ではありません。範囲(何時〜何時)と最大距離が追えていれば、運用上は十分なことも多いです。一方で、空洞の変化が方針に影響する症例では、最大深さを定期的に併記すると状態変化を拾いやすくなります。
次の一手
- 全体像へ戻る:DESIGN-R 2020 採点方法(7 項目の全体像)
- 関連各論へ進む:I3C の見分け方と 24〜48 時間対応
参考文献
- Japanese Society of Pressure Ulcers. DESIGN-R® 2020(褥瘡経過評価用) PDF
- Japanese Society of Pressure Ulcers. DESIGN-R scoring manual(English) PDF
- Mayrovitz HN, Soontupe LB. Wound areas by computerized planimetry of digital images: accuracy and reliability. Adv Skin Wound Care. 2009;22(5):222-229. doi: 10.1097/01.ASW.0000350839.19477.ce
- Foltynski P, et al. Wound Area Measurement with Digital Planimetry: Improved Accuracy and Precision with Calibration Based on 2 Rulers. PLOS ONE. 2015;10(8):e0134622. doi: 10.1371/journal.pone.0134622
著者情報
rehabilikun(理学療法士)
rehabilikun blog を 2022 年 4 月に開設。医療機関/介護福祉施設/訪問リハの現場経験に基づき、臨床に役立つ評価・プロトコルを発信。脳卒中・褥瘡などで講師登壇経験あり。
- 脳卒中 認定理学療法士
- 褥瘡・創傷ケア 認定理学療法士
- 登録理学療法士
- 3 学会合同呼吸療法認定士
- 福祉住環境コーディネーター 2 級
専門領域:脳卒中、褥瘡・創傷、呼吸リハ、栄養(リハ栄養)、シーティング、摂食・嚥下


